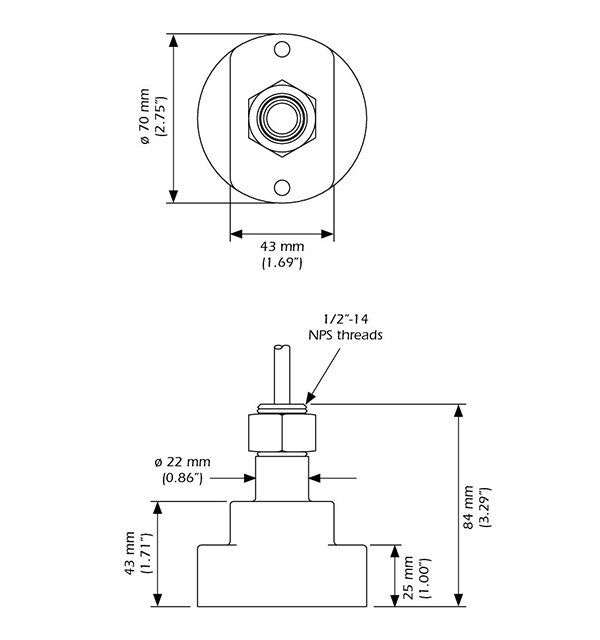
AirMar SS510智能测深声呐
低成本、便携式水文测量系统Airmar EchoRange™ 智能传感器,具有嵌入式微电子元件,可在传感器内部处理深度和温度信号。 将紧凑型EchoRange 智能传感器与计算机或其他仪器配合使用,可提供低成本便携式水文测量系统。同样可以用于检查桥梁的基台和柱子,这是非常有用的。 为什么Airmar传感器是智能的?Airmar的智能传感器系列具有嵌入式微电子元件,可处理相关信息,然后可以
- 品牌: AirMar
- 型号: SS510
- 产地: 美国
- 价格: 电话联系
- 类别: Smart™ Sensor
- 功率: 100W
- 功能: 深度、温度
- 频段: 200 kHz
- 材料: 不锈钢
- 安装: 便携、横梁、穿舱
• 200 kHz频率